|
Author
|
Message
|
|
Half-dude
|
Posted Last Year
|
|
Group: Forum Members
Last Active: Last Year
Posts: 227,
Visits: 11.3K
|
Any of you guys have the factory power brakes on your cars? How does that original design for the booster seem to work for you? Any complaints? My car doesn't have anything but power seats, if I went to power brakes or power steering I'd prefer to use NOS or rebuilt OG equipment as I find the modern designed booster sticking the master cylinder halfway across the damn engine-bay to be ugly as hell.
|
|
|
|
|
55blacktie
|
|
|
Group: Forum Members
Last Active: Yesterday
Posts: 1.3K,
Visits: 1.9K
|
You asked, so I will give you my two cents: I don't think an aftermarket booster that's installed between the firewall & master cylinder is any uglier than the OEM booster. The primary problem is that it requires relocating the battery (55-57 Tbird). If you upgrade to a dual master & disc brakes, an aftermarket master cylinder and booster will be safer and more efficient. Why do you think it's necessary to convert to power brakes? My 55 Tbird was originally equipped with manual brakes. Although I inherited the car and didn't have much of an opportunity to drive it before starting the restoration, the original brakes seemed to function better than many other components on what is now a 70-year-old car. Nevertheless, I have installed Wilwood Dynalite disc brakes/w 4-piston calipers, Wilwood dual-reservoir master cylinder/w 15/16 piston, and Wilwood's adjustable proportioning valve. The rear brakes are rebuilt OEM drums. My friend has the same setup on his 55 Tbird, and he is very happy with it.
My car has manual steering. I admit it can be somewhat of a challenge when it comes to making U-turns, parallel parking, etc. However, once it's headed down the road, I have no problem with the manual steering. If I were to convert to power steering, I would look at Borgeson or electric-assisted steering. I'm not a fan of the old boom-type power steering or steering with one finger.
Ultimately, you'll have to decide for yourself what you'll want to do to your car, but I have nothing against making these old cars better, safer, and more pleasurable drivers.
|
|
|
|
|
KULTULZ
|
|
|
Group: Forum Members
Last Active: Last Month
Posts: 1.8K,
Visits: 306.4K
|
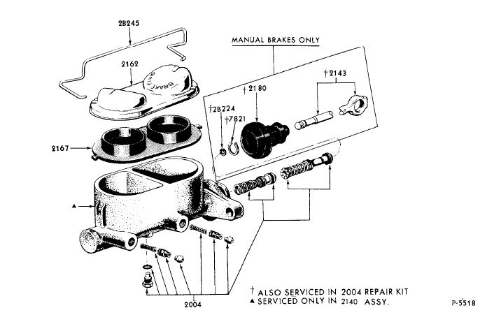
It all depends on the appearance/performance you want. Yours is a 55 FAIRLANE? If you want the correct original assembly appearance, the MIDLAND booster (fender apron mount) is the way to go (IMO) but is $$$. How do your brakes work now without assist? The original four wheel drum setup should be more than adequate to bring it down unless the engine is pumped up. You can upgrade the drum brakes with a dualing reservoir MC (safety also), improved friction materials (shoes) and self-adjuster kits. No desire to go front disc? Same for steering, how is it manual or do you just want to go with power assist? This is an example of a FYB firewall mounted MC - BOOSTER swap -
____________________________
|
|
|
|
|
down-the-road
|
|
Hitting on all eight cylinders
Group: Forum Members
Last Active: 6 hours ago
Posts: 3,
Visits: 26.8K
|
I'm also looking into a master cylinder upgrade to go along with Granada front disc brakes. ABS had mixed reviews in older posts that I found. So far I haven't found any recent reviews on ABS. Would something like this work? https://www.napaonline.com/en/p/NMCM2165 Mustang / Granada master cylinder.

Maybe a smaller diameter booster that doesn't require the offset mounting bracket to clear the valve cover? https://www.napaonline.com/en/p/NBB5473205 Described as 7.42 inch dual diaphragm booster for a Pinto.
Add a proportioning valve?
|
|
|
|
|
KULTULZ
|
|
|
Group: Forum Members
Last Active: Last Month
Posts: 1.8K,
Visits: 306.4K
|
You are going to need FORD MC PART NO C9AZ 2140-D or an outside vendor supply (RAYBESTOS and CENTRIC being quality). It's application(s) are 1967 to 1971 model years and should have (aftermarket) PRV (Residual Pressure Valves) in both brake line outlet ports. FORD eliminated the RPV on the 1972 model year run and went to wheel cylinder cup expanders to perform the same function. Yes, you will need a PROPORTION VALVE with DISC/DRUM. Look for adjustable.
____________________________
|
|
|
|
|
alanfreeman
|
|
|
Group: Forum Members
Last Active: Last Month
Posts: 381,
Visits: 5.7K
|
I prefer sticking with OEM equipment on my cars so all four of them have OEM power steering systems. Although the valves and the rams are prone to drip some fluid, power steering does indeed make these mid-fifties cars so much more of a pleasure to drive. I will tell you that if you do decide to go original on the power steering, a correct and complete system will end up costing you 1.5K - 2K if you can even find one. All of my cars have OEM power brake systems. One has the remote Midland setup and the other three have Bendix Treadle-Vac setups. Having both systems to compare, I believe that the Treadle-Vac for sure delivers better braking and in fact the braking on those cars may even be a little too touchy. However, for your car (if it is a '55 Ford passenger car) the only correct PB system is the Midland if you wish to go OEM. Concours Parts sells a complete kit to install the Midland setup for a little over 1K (not including the special PB pedal).
|
|
|
|
|
KULTULZ
|
|
|
Group: Forum Members
Last Active: Last Month
Posts: 1.8K,
Visits: 306.4K
|
"ABS had mixed reviews in older posts that I found. So far I haven't found any recent reviews on ABS." I used that photo (ABS) as an ILL of what the final appearance will be when installed. The 1954-46 booster install needs the offset as the MC will be too close to both the rocker cover and exhaust manifold. No matter what diameter booster you use will give the same appearance.  If not wanting to go with the OEM MIDLAND HY-POWER booster install,and desiring vacuum assist, you would have to go with either a vacuum pump or aftermarket remote vacuum booster.
____________________________
|
|
|
|
|
KULTULZ
|
|
|
Group: Forum Members
Last Active: Last Month
Posts: 1.8K,
Visits: 306.4K
|
RELATED PREVIOUS THREAD - http://forums.y-blocksforever.com/Topic168473.aspx
____________________________
|
|
|
|
|
cokefirst
|
|
|
Group: Forum Members
Last Active: 6 days ago
Posts: 159,
Visits: 2.4K
|
I am more of a purist but I also strongly believe that you can do whatever you want to your car. I own 7 1950's Ford vehicles along with a 1931 AA. On my two 1957 Fords, I have the KH power brake unit. I have 4 small Thunderbirds all with the Midland brake unit along with a 1956 Ford F100 with a Midland. I had to mount the Midland unit for the truck on the inner fender shield like the passenger cars since none of the brackets and fittings to mount it under the truck as original are available anywhere. Even though the power brakes were an option on the truck, but in all the trucks I have looked at over the past 60 years, I have never seen one with the factory power brakes.
I also do not put on dual master cylinders, disc brakes, or other modifications. I also keep my engines and transmissions stock, and try to keep them in good operating condition. I know I am driving a 70-90year old vehicle, and drive accordingly. I leave lots of space between me and the car in front and am not interested in setting any speed records. The only time I ever had a brake failure was in college when I was driving a poorly maintained 1955 Desoto and the front brake hose broke. Had I kept the car in the same condition as I try to keep my old cars in now, that would not have happened.
Do the brakes on my cars, even with power brakes work like the new cars? Not a chance in hell. They also do not steer, or handle like a new car, and even with rebuilt steering boxes and new or well maintained suspension parts, they are no match for any newer car. I only drive my cars to club meetings, car shows and an occasional cruise. I am OK with a 70 year old brake, steering and suspension and like driving my old car the way it was originally designed.
The decisions you make for your car may be completely opposite of mine. You need to do what you think is best for YOU and not what anyone else thinks.
|
|
|
|
|
55blacktie
|
|
|
Group: Forum Members
Last Active: Yesterday
Posts: 1.3K,
Visits: 1.9K
|
cokefirst (10/25/2025)
I am more of a purist but I also strongly believe that you can do whatever you want to your car. I own 7 1950's Ford vehicles along with a 1931 AA. On my two 1957 Fords, I have the KH power brake unit. I have 4 small Thunderbirds all with the Midland brake unit along with a 1956 Ford F100 with a Midland. I had to mount the Midland unit for the truck on the inner fender shield like the passenger cars since none of the brackets and fittings to mount it under the truck as original are available anywhere. Even though the power brakes were an option on the truck, but in all the trucks I have looked at over the past 60 years, I have never seen one with the factory power brakes. I also do not put on dual master cylinders, disc brakes, or other modifications. I also keep my engines and transmissions stock, and try to keep them in good operating condition. I know I am driving a 70-90year old vehicle, and drive accordingly. I leave lots of space between me and the car in front and am not interested in setting any speed records. The only time I ever had a brake failure was in college when I was driving a poorly maintained 1955 Desoto and the front brake hose broke. Had I kept the car in the same condition as I try to keep my old cars in now, that would not have happened. Do the brakes on my cars, even with power brakes work like the new cars? Not a chance in hell. They also do not steer, or handle like a new car, and even with rebuilt steering boxes and new or well maintained suspension parts, they are no match for any newer car. I only drive my cars to club meetings, car shows and an occasional cruise. I am OK with a 70 year old brake, steering and suspension and like driving my old car the way it was originally designed. The decisions you make for your car may be completely opposite of mine. You need to do what you think is best for YOU and not what anyone else thinks. Although I'm paraphrasing, I agree that there is nothing that these old vehicles can do as well as a new one, with the possible exception of looking good. On the other hand, I don't want to own a vehicle that can't be driven; therefore, I'm all in favor of making them safer and more reliable drivers, not museum exhibits or trailer queens.
|
|
|
|